Popis produktu: Síťový modul Ethernet ENC28J60
Modul, který umožňuje připojení mikrokontrolérů a vývojových kitů (včetně Arduina ) k ethernetové síti. Komunikačním rozhraním je oblíbená digitální sběrnice SPI. Deska má ethernetový konektor RJ-45 pro síťový kabel a pozlacené vodiče pro připojení k základní desce. Napájecí napětí systému je 3,3 V a rozměry celku: 56 x 34 x 16 mm.
K dispozici je knihovna pro modul Arduino spolu s pokyny k zapojení. |

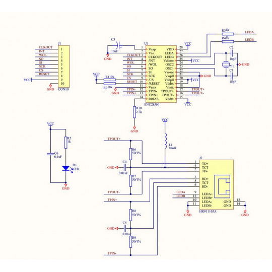
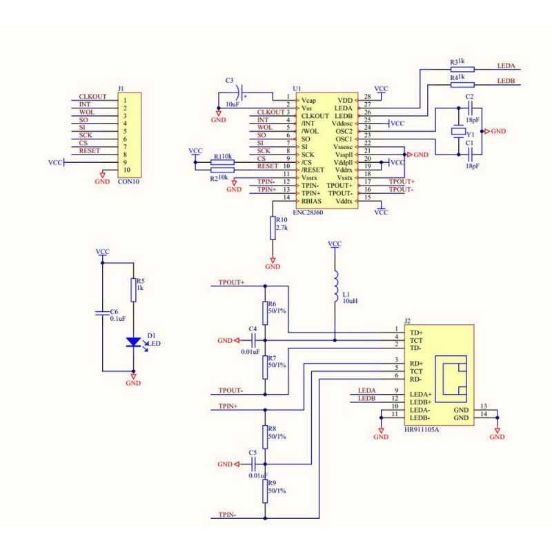
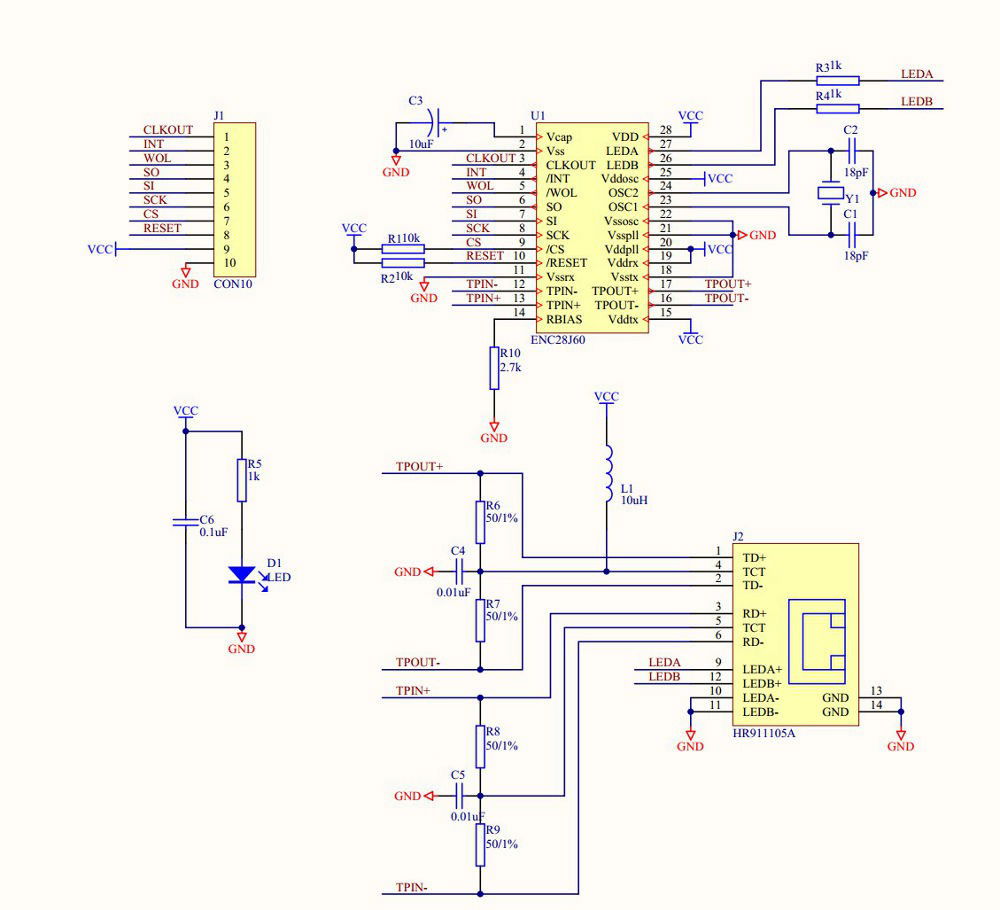
Síťový modul Ethernet ENC28J60.
Odvozeniny
Modul má pozlacené vývody, což umožňuje připojení k jakékoli vývojové sadě nebo specializované desce plošných spojů pomocí dostupných kabelů . Zapojení pinů je znázorněno na obrázku níže.
Specifikace ethernetového modulu
- Napájecí napětí: 3,3 V
- Maximální přenosová rychlost: 25 MHz
- Komunikační rozhraní: SPI
- MAC adresa musí být přiřazena v programu
- Typ modulu: 10Base-T
- Provozní teplota: -40 °C až 85 °C
- Rozměry: 56 x 34 x 16 mm
Podrobnosti v dokumentaci k ENC28J60.
Jméno | Popis |
|---|---|
Virtuální obchodní centrum | Napájecí napětí 3,3 V. |
Zem | Hmotnostní potenciál systému. |
RESET | Reset systému, aktivovaný nízkým stavem. Výchozí vysoký stav - interně přitaženo k VCC (pull-up). Pin toleruje napětí 5V. |
CS | Výběr čipu - výběr zařízení sběrnice SPI. aktivováno nízkým stavem. Výchozí vysoký stav - interně přitaženo k VCC (pull-up). Pin toleruje napětí 5V. |
SCK | Vstup hodin sběrnice SPI. Pin toleruje 5V. |
Umělá inteligence | Vstupní datová linka sběrnice SPI. Pin toleruje 5V. |
TAK | Výstupní datová linka sběrnice SPI. Pin toleruje 5V. |
CLKOUT | Programovatelná výstupní hodinová linka. |
VŮL | Mělo by zůstat nezapojené. |
INT | Interní výstup přerušení. |
Užitečné odkazy |
